Schwiziell

 (0)

einfach speziell

3D-Druck · V-Slot-Möbel · DIY-Projekte aus der Schweiz

Was ist Schwiziell?

Schwiziell – einfach speziell steht für kreative Techniklösungen, die es so nicht von der Stange gibt.
Ich bin Patrick – Tüftler, Schrauber, Designer – und entwickle funktionale Produkte und individuelle Möbel aus V‑Slot-Profilen, 3D-Druck und cleverer Technik.

Ob magnetischer Mutterhalter, modulare Garderobe oder DIY-Kühlbox – meine Projekte entstehen aus echtem Bedarf, mit viel Liebe zum Detail, handwerklichem Anspruch und einer Prise Erfindergeist.

Kein Massenprodukt. Keine halben Sachen. Einfach speziell.

Highlights

Profil Möbel

Tische 

Regale

Garderoben

Stabile Möbel aus Aluminiumprofilen – modular, robust und jederzeit erweiterbar.

 Produkte

2020 B Nut 6

SKU (Artikelnummer):
{{ds.variantSkuVal}}
Preis:
{{ds.variantPriceVal}}{{ds.variantFullPriceVal}}
{{variant.name}}:
{{opt.name}}
{{opt.value ? '' : opt.name}}
{{opt.value ? '' : opt.name}}
Beschreibung

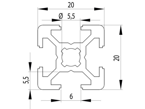
Aluprofil 20×20 – B-Typ, Nut 6

schwiziell – einfach speziell.

Kompakt, präzise, vielseitig: Das 20×20 B-Typ Profil ist die schlanke Basis für Rahmen, Halterungen und modulare Aufbauten – vom Drucker bis zur Prüfvorrichtung.

Warum dieses Profil?
  • Kompakt & leicht: 20×20 mm für dichte Aufbauten und kleine Radien.
  • Vier Nuten, viele Optionen: Nut 6 für schnelle Montage und Nachrüstungen.
  • Eloxiertes Aluminium: widerstandsfähig und korrosionshemmend – sauber in der Optik.
  • Kompatibel: B-Typ Zubehör, T-Nutensteine & Hammermuttern in M3/M4/M5.
Produktdaten – Übersicht
  • Typ: B-Typ
  • Material: Eloxiertes Aluminium
  • Art: Standard (offen)
  • Offene Nuten: 4
  • Maße: 20×20 mm
  • Nutbreite / -tiefe: 6 mm / 5,5 mm
  • Services: Zuschnitt, Stirngewinde M6
Kompatibilität
  • B-Typ Nut 6 Zubehör (M3/M4/M5): T-Nutensteine, Hammermuttern, Winkel & Verbinder.
  • Hinweis: Nicht kompatibel mit I-Typ Systemen und V-Slot-Rollen.
Einsatzideen

Leichte Rahmen, Gehäuse & Abdeckungen, 3D-Drucker-/CNC-Aufbauten, Sensor- und Gerätehalterungen, Mess- & Prüfmodule.

Speziallösungen gewünscht?

Du brauchst eine individuelle Halterung, einen maßgeschneiderten Rahmen  
oder willst ein Projekt umsetzen, das es so noch nicht gibt?

Ich helfe dir dabei!